Brand Name: TSI system partItem no: CE620 444-620-000-111Price:$1100Origin: SwitzerlandPackaging Details: New and original factory Delivery time: In Stock Payment: T/T
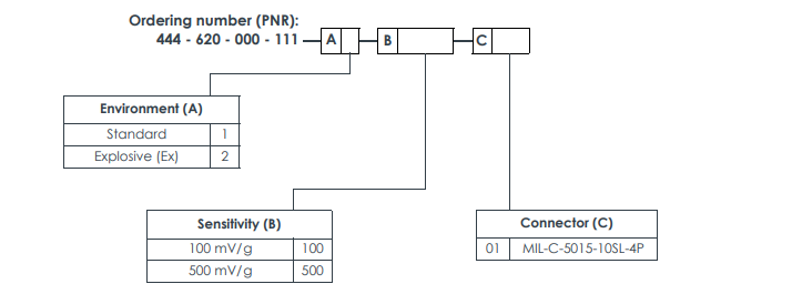
The CE620 piezoelectric accelerometer is a general-purpose vibration sensor designed for monitoring and protecting industrial machinery. It is suitable for use in harsh industrial environments and provides reliable vibration measurement for equipment condition monitoring and predictive maintenance systems.The CE620 is an IEPE vibration sensor with integrated electronics. It requires a constant current power supply and delivers a dynamic AC vibration output signal on a DC bias level. The sensor is available with sensitivity options of 100 mV/g or 500 mV/g to meet different application requirements.The CE620 can be supplied as a standalone sensor or with an integral cable protected by a stainless-steel overbraid. Sensor-only versions allow the use of various cable assemblies depending on installation conditions. Standard models are suitable for non-hazardous areas, while Ex versions are designed for hazardous environments.
Features
Voltage output signal: 100 or 500 mV/g
Frequency response:0.5 to 14000 Hz (100 mV/g versions)0.2 to 3700 Hz (500 mV/g versions)
Temperature range:−55 to 120°C (100 mV/g versions)−55 to 90°C (500 mV/g versions)
Isolated electronics with internal shield for reduced noise and improved bias-voltage stability
Ground isolated from case
Available as a sensor only or with an integral cable
Available in standard versions and Ex versions certified for use in hazardous area
Get a Quote
Interested in our Industrial Automation Spare Parts or want to send any enquiries?
Our team is ready to assist you. Fill out the form below, and we’ll get back to you within 24 hours.